首页
关于龙印
新闻资讯
产品世界
营销网络
客服中心
联系我们
设为首页
|
加入收藏
客户留言
English
简体中文
产品世界
首页
>>
磁力起动器
>>
QJX2系列星三角减压启动箱
Products
接触器
温控仪
磁力起动器
热过载继电器
气压开关
7
QJX2系列星三角减压启动箱
市场价:
¥
0.00
价格: ¥
0.00
用途:
QJX2系列星三角减压启动箱适用于交流50/60Hz,额定电压380V,在AC-3使用功率115KW以下的三相鼠笼型感应电动机降压起动之用,起动方式由“Y”自动转换“△”运行,对电动机具有过负载,断相与失压保护功能,广泛用与压缩机,风机、水泵等设备配套。
工作条件和安装条件:
海拔高度不超过2000m;
周围介质温度为:-5℃~+40℃,24小时内其平均温度不超过+35℃;
空气相对湿度不大于85%(20℃±5℃时);
振幅不大于0.5毫米,频率不大于每分钟600次振动;
与垂直面的倾斜度不超过±5度;
有防雨、雪设备的场所。
有无焊炸危险介质中,且介质中无凝露腐蚀金属体及导电尘埃的地方。
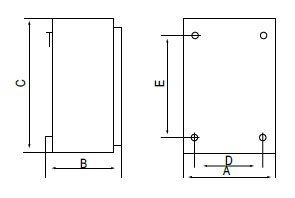
外形尺寸及安装尺寸
规格
A
B
C
D
E
13~30kW
350
240
460
270
380
37~55kW
430
240
540
350
460
上一个:
LC1D1B交流接触......
下一个:
GMC-32交流接触......