产品世界
Products
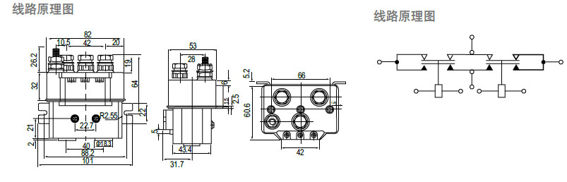
ZJW100电动绞盘专用直流电磁接触器

ZJW100电动绞盘专用直流电磁接触器

0.00
0.00
  
用途:
  ZJW100-T-P-DE系列短期工作制产品用于汽车电动绞盘配套,具有抗大负载能力和防水的特点,质量可靠。

技术数据: 

参数名称

线圈额定电压()6-220V

线圈功耗

29-31W

主触点额定电流(A)

连续100A,断续400A

触点电路额定电压

6-80V DC

抗电强度

50Hz 1000V AC 1min

在额定电流下触点接触压降

不大于80mV

动作时间

冷态吸合时间:≯30ms释放时间:30ms

动作特性

冷态吸合电压:66%Us,冷态释放电压:30Us,5%Us

机械寿命

100000

电寿命

连续20000次,断续2000